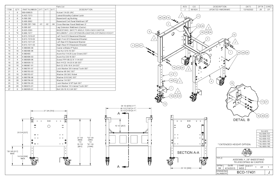
Product specification drawing for NU-800 telescoping base stand with casters for NuAire class I containment ventilated enclosures.
View the Full Guide for NU-800 Casters Telescoping Base Stand Cut Sheet
NU-800 Casters Telescoping Base Stand Cut Sheet
Related Resources
Drawing
Water Jacket CO2 Incubator Drawing
Discover the intricate design of the In-VitroCell Water Jacket CO2 Incubator series through detailed product drawings for models NU-8600, NU-8625, NU-8631, and NU-8645. These drawings reveal the advanced features and precise engineering that make these incubators essential for diverse cell culture applications.
Drawing
Telescoping Base Stand Assembly with Leg Levelers 31-inch Depth
View dimensions and assembly of the 31-inch depth telescoping base stand accessory with leg levelers.
Drawing
NU-240-430, NU-240-436 Specification Drawing
Explore the NU-240-430 and NU-240-436 workstation specs with AeroMax control, HEPA filtration, and optional enhancements for a clean, efficient workspace.
Drawing
NU-540-500 5FT 115V Class II, Type A2 Biosafety Cabinet – Engineering Drawing
Engineering drawing for NU-540-500 Class II, Type A2 Biosafety Cabinet. Illustrates dimensions, components, and features of 5-foot (1.5m) wide, 115V model. Essential for lab planning and installation.
Drawing
NU-240-630 Laminar Airflow Workstation 115V Cut Sheet
Product specification drawing for 115-volt nominal 6-feet (1.8 meters) horizontal laminar airflow workstation model NU-240-630.
Drawing
NU-240-330, NU-240-336 Specification Drawing
Explore the NU-240-330 and NU-240-336 Spec Drawing for the 3-foot wide AireGard ES NU-240 Workstation, featuring HEPA filtration, AeroMax Control, and customizable options for clean air environments.
Drawing
Motorized Base Stand with Leg Levelers Drawing for NU-140 & NU-240
Assembly and specification drawing for motorized base stand with leg leveler for laminar airflow workstation models NU-140 and NU-240.
Drawing
NU-340-530/NU-340-536 Laminar Airflow Workstation 115V Cut Sheet
Product specification drawing for 115-volt 5-feet (1.5 meters) wide vertical laminar airflow workstation models NU-340-530 and NU-340-536 with leg levelers.
Drawing
NU-540-400 4FT 115V Class II, Type A2 Biosafety Cabinet – Engineering Drawing
Engineering drawing for NU-540-400 Class II, Type A2 Biosafety Cabinet. Illustrates dimensions, components, and features of 4-foot (1.2m) wide, 115V model. Essential for lab planning and installation.
Drawing
Motorized Base Stand with Casters for NU-140 & NU-240
The motorized base stands with casters installation and specification documentation for laminar airflow workstation models NU-140 and NU-240.
Drawing
NU-540-300E 0.9m 230V Class II, Type A2 Biosafety Cabinet – Engineering Drawing
Detailed engineering drawing of the NU-540-300E Class II, Type A2 Biosafety Cabinet, showing dimensions, components, and optional features for laboratory safety and efficiency.
Drawing
NU-543-300S Class II, Type A2 Biosafety Cabinet Cut Sheet
Product specification drawing for 230-Volt nominal 0.9-meter (3-feet) wide LabGard Class II, Type A2 Biosafety Cabinet model NU-543-300S.